JH8CHUのホームページ>電子回路

電子工作のための 電子回路


ツェナー・ダイオードによる定電圧電源回路について記載。(2015/02/07)
  ・・・・・
古い変更来歴を本ページの下端に移動。(2024/09/03)
  ・・・・・
トランジスタのhパラメータについて見直し・完成。(2024/08/28)
バイポーラ・トランジスタの等価回路について見直し・完成。(2024/08/30)
電子回路の基礎概念にdB(デシベル)を記載。(2024/09/02)
電子回路の基礎概念のCR回路の周波数特性を見直し。(2024/09/02)
電子回路の基礎概念にCR回路の周波数特性(信号源と負荷を考慮した場合) を記載。(2024/09/03)
エミッタ接地トランジスタ増幅回路(交流負帰還なし) のカップリング・コンデンサの影響を修正。(2024/09/09)
エミッタ接地トランジスタ増幅回路(交流負帰還あり) のカップリング・コンデンサの影響を修正。(2024/09/09)
コレクタ接地(エミッタ・フォロワー) について見直し・完成。(2024/09/30)
発振回路について記載。(2024/11/04)
本ページのタイトルに「電子工作のための〜」を追加。(2025/12/01)
理想ダイオードの記述について訂正。(2025/12/01)
定電流回路(1石構成)について記載。(2026/03/26)
定電流回路(2石構成)について記載。(2026/04/08)
過電流保護回路について記載。(2026/04/17)

  1. 目次

    1. 目次
    2. 電子回路の基礎概念
    3. ダイオード
    4. 電源回路
    5. バイポーラ・トランジスタ
    6. バイポーラ・トランジスタのバイアス回路
    7. トランジスタのhパラメータ
    8. バイポーラ・トランジスタの等価回路
    9. エミッタ共通トランジスタ増幅回路(交流負帰還無し)
    10. エミッタ共通トランジスタ増幅回路(交流負帰還有り)
    11. コレクタ接地(エミッタ・フォロワー)
    12. 段間結合回路
    13. FET(Field Effect Transistor:電界効果トランジスタ)
    14. 接合型FETのソース接地増幅回路(交流負帰還なし)
    15. 接合型FETのソース接地増幅回路(交流負帰還あり)
    16. 接合型FETのドレイン接地増幅回路
    17. 接合型FETのゲート接地増幅回路(工事中)
    18. MOS FETのソース接地増幅回路(工事中)
    19. 負帰還増幅回路(工事中)
    20. 発振回路
    21. リニア安定化電源回路
    22. 直流回路で使用される回路
    23. 電力増幅回路(工事中)
    24. 変更来歴

  2. 電子回路の基礎概念

    1. 電圧源と電流源、テブナンとノートンの等価回路
    2. 2端子対回路
    3. 電子回路では、回路網をブラック・ボックスとみなし、入力端子対と出力端子対との
      2対からなる2端子回路(4端子回路とも言う)として扱うことをしばしば
      行います。2端子対回路の一般論は電気回路学で学びますが、
      入力電圧・入力電流・出力電圧・出力電流の関係を2×2の行列で表現します。
      具体的にはZ行列、Y行列、H行列、G行列、F行列、K行列などの表現があります。
      (行列の代わりにパラメータと呼ぶこともあります。)
      電子回路では、バイポーラ・トランジスタはHパラメータを、
      またFETはYパラメータをよく使うので以下に記載します。

    4. dB(デシベル)
    5. 増幅度を表すとき、増幅度の値はしばしば大きな値となるので、常用対数を使った
      dB(デシベル) という単位を使って表します。増幅度をデシベル表示したときの値は
      とくに利得と言います。
      下図の2端子対回路において、
      Pi = Vi * Ii
      Po = Vo * Io

      です。


      一般的にVi、Ii、Vo、Io、Pi、Poはフェーザ表示となるので、
      増幅度Av、Ai、Apもフェーザ表示となります。
      (つまり、増幅回路で位相差が発生します。)
      利得は下記の式で定義されます。
      単位は無名数ですが、いずれもdB(デシベル)という単位を付けます。

      1. 電圧利得(Gv)
      2. 電圧利得(Gv) = 20 * log|Av| = 20 * log|Vo/Vi|

      3. 電流利得(Gi)
      4. 電圧利得(Gi) = 20 * log|Ai| = 20 * log|Io/Ii|

      5. 電圧利得(Gp)
      6. 電圧利得(Gp) = 10 * log|Ap| = 10 * log|Po/Pi|

    6. CR回路の周波数特性
    7. 電子回路では、下図のようなCR回路によるローカット・フィルタがよく現れます。
      このCR回路の入力電圧をVi、出力電圧をVoとします。
      (Vi、Voはフェーザ表示です。)




      カットオフ周波数をfcとすれば、
      fc = 1/(2π * C * R)

    8. CR回路の周波数特性(信号源と負荷を考慮した場合)
    9. 実際のCR回路では、信号源と負荷が接続されます。
      その場合、下図のように信号源の内部抵抗(Rs)と負荷側の抵抗(RL)が接続されるため
      カットオフ周波数が変化します。


      その影響を考慮した場合のカットオフ周波数(fc)は、
      fc = 1/{2π * C * (Rs + Ro)}

      ここに、Ro = R // RLです。

    10. RC回路の周波数特性(工事中)

  3. ダイオード

    1. 接合型ダイオードの動作原理
    2. 半導体の原理を定量的に理解するためには熱統計力学や量子力学の知識が必要です。(>_<)
      しかし、半導体を使用する立場で言えば、最初からそこまで理解する
      必要はないと思います。(私も未だに解っておりません。(-_-;; )
      定性的な動作の概要をまず理解し、定量面は、ダイオードとバイポーラ・トランジスタならば、
      PN接合の電圧−電流特性の式と静特性グラフを、 FETならば
      ゲート電圧〜ドレイン電流の関係の静特性の 式とグラフを、
      そしてバイポーラ・トランジスタの 電流増幅率の式くらいを知っていれば、
      当面何とかなりそうです。
      ここでは、まずPN接合とダイオードについて以下に記載します。


    3. ダイオードの静特性

    4. ダイオードの近似モデル
    5. 上記の式のままでは、ダイオードを用いた回路の解析が面倒になることが多いので、
      必要に応じて、下図のような近似モデルが使用されます。

    6. ダイオードの種類
  4. 電源回路

  5. 商用電源の交流から電子回路に必要な直流電圧を生成する回路が電源回路です。
    最も簡単な電源回路は、変圧器、整流回路、平滑回路から成ります。

    1. 整流回路

    2. 平滑回路

    3. 整流用ダイオードの逆耐圧と電流
    4. 整流用ダイオードを選定する際に、考慮が要求な以下の仕様について記載します。


      整流用ダイオードの逆耐圧と電流の詳細は こちら。(2023/04/09)

    5. 電源回路のまとめ (2023/04/09)

    6.   半波整流回路 センタタップ付
      全波整流回路
      ブリッジ型
      全波整流回路
      正負同時型
      ブリッジ
      リプル含有率
      (γ)
      定義1(*1) 1/(2√3 * f * C * RL) 1/(4√3 * f * C * RL)
      定義2(*1) 1/(f * C * RL) 1/(2f * C * RL)
      リプル電圧
      pp値(儼rp)
      定義1(*1) VDC/(2√3 * f * C * RL) VDC/(2f * C * RL)
      定義2(*1) VDC/(4√3 * f * C * RL) VDC/(f * C * RL)
      リプル電圧
      実効値(*1)
      ダイオードの
      最大逆方向
      電圧(Vr)
      平滑回路なし √2×Vi(rms) 2×√2×Vi(rms) √2×Vi(rms) 2×√2×Vi(rms)
      平滑回路あり 2×√2×Vi(rms) 2×√2×Vi(rms)
      √2×Vi(rms)
      2×√2×Vi(rms)
      ダイオードの
      平均電流 (*2)
      IDC IDC/2 IDC/2 IDC+/2
      IDC-/2
      (*1)定義1はγ=リプル成分の実効値/直流分(平均値)、定義2はγ=リプル成分のpp値/直流分(平均値)。
        詳細は本文参照。
      (*2)負荷に流れる平均電流をIDCとする。 正負同時型ブリッジについては本文参照。

    7. 倍電圧整流回路
    8. 交流入力電圧(の最大値)に対し、2倍の直流電圧を得ることの出来る整流回路です。

      ・倍電圧半波整流回路


      ・倍電圧全波整流回路


      ・倍電圧整流回路に関する動作の詳細は こちら。(2023/12/07)

  6. バイポーラ・トランジスタ

    1. シンボル
    2. 一般的に、トランジスタと言えば、大きくバイポーラトランジスタと
      電界効果トランジスタ(FET)の二種類がありますが、通常単にトランジスタ
      と言えば、バイポーラ・トランジスタのことを指します。
      バイポーラ・トランジスタにはNPN型とPNP型の二種類があります。
      シンボルは下図のようになり、コレクタ(C)、ベース(B)、エミッタ(E)と
      名付けられた3本の電極を持ちます。
      NPN型とPNP型とでは、電流の流れる向きが逆となります。


      部品としては、この他に、1個のパッケージに複数のトランジスタを作りこん
      だものや、抵抗器なども作りこんだものが販売されています。

    3. バイポーラ・トランジスタの構造
    4. バイポーラ・トランジスタはN型半導体P型半導体を、下図のようにNPNまたはPNPの
      構造に組み合わせたもので、3本の電極を持ち、エミッター、ベース、コレクターと
      名前がつれられています。それぞれの電極名は、しばしば、E、B、Cと略記されます。
      NPN型とPNP型とでは電流の向きが逆になるだけなので、以下の説明では
      NPN型トランジスタを例に説明をします。



      ちなみに、この図をシンボルで書くと

      となります。

    5. バイポーラ・トランジスタの動作原理
    6. 接合部は、ふたつあるので、それぞれの接合部に 順方向バイアスまたは逆方向バイアス
      かけるとすれば、組合わせとしては4通りあり、各組合わせは次のように呼ばれます。
      エミッター・ベース間接合ベース・コレクター間接合呼び方
      順方向バイアス(VBB>0) 順方向バイアス(VCC>0)飽和領域
      順方向バイアス(VBB>0) 逆方向バイアス(VCC<0)活性(能動)領域
      逆方向バイアス(VBB<0) 順方向バイアス(VCC>0)逆接続
      逆方向バイアス(VBB<0) 逆方向バイアス(VCC<0)遮断領域


    7. 接地方式

    8. エミッタ接地の静特性

    9. ベース接地の静特性(工事中)
    10. トランジスタが実用化した最初の頃、トランジスタはベース接地で使用することを
      想定していたらしく、古い文献にはベース接地の静特性の説明も記載されている
      ことがあります。

  7. バイポーラ・トランジスタのバイアス回路

  8. (2015/03/07)(2024/08/28改)
    トランジスタで交流信号を増幅する場合、交流信号を歪無く増幅するために
    トランジスタにあらかじめ適当な直流電圧を印加しておきます。
    この直流電圧のことをバイアス電圧と呼び、バイアス電圧を印加するための
    回路をバイアス回路と呼びます。

    下図はバイアス電圧の概念です。
    ベースに直流電圧を印加するための電源Vbbによりバイアスがかけられています。
    Rcは出力電圧を取り出すための抵抗で、負荷抵抗と呼びます。


    この状況を静特性の グラフで見ると下図のようになります。
    まず、VBE-IB特性のグラフではベース電圧がVbbとなりベース電流 IB0が流れます。
    ちなみに、静特性グラフ上のバイアスで決められた点を動作点と呼びます。


    次に、IB-Ic特性のグラフではベース電流IB0によりコレクタ 電流IC0が流れます。


    最後は、VCE-Ic特性グラフですが、Rcがあるためにコレクタの電圧VCE0
    下記の式で決まります。

    VCE0 = Vcc - Rc×IC0

    この点は、VCE-Ic特性グラフ上ではVCE=Vcc、Ic=Vcc/Rcの2点を結ぶ直線を引き
    (負荷直線と言います。青色で示しました。)、この直線とIB=IB0の線との交点が
    動作点となります。


    バイアス回路の具体的な例を下図に示します。
    このバイアス回路は電流帰還バイアス回路と呼ばれています。


    バイアス電源Vbbはコレクタの電源Vccと別に用意するのは無駄なので、
    R1とR2により分圧して生成しています。
    R1とR2に流す電流はブリーダ電流と呼び、IBの10倍位に設定することにより
    IBが変化してもV2が変化しないように値を選定します。

    また、REは直流的に負帰還をかけて動作点を安定させるために挿入されています。
    トランジスタは温度に敏感であり、特にVBEは温度の影響を大きく受けるため、
    温度変化により動作点を動かなくする働きがあります。
    (ダイオード(PN接合)の電流の式 に絶対温度(T)の項があることを確認しましょう。)

    REの動作を定性的に考えてみます。
    温度変化などの理由でIcが大きくなったとします。
    そうするとIEも増加しますが、この結果REの両端の電圧VEは上昇します。
    一方、上記で述べたように、V2はR1、R2によりほぼ一定に保たれています。
    この結果、VBE=V2-VEであるためVBEは小さくなります。
    VBEが小さくなるとIBが減少し、Icの増加を抑えます。
    これら一連の動作で、直流的には負帰還動作していることになります。


    次に、下図のように、トランジスタにバイアスがかかっている状態で直流電圧Vbbに
    交流電圧vbを重畳させると、ベース電流も変化します。その変化分をibとします。
    (記号の使い方が解りづらいので図を修正しました。2024/8/28)
     

    VBE-IB静特性上では動作点を中心として、交流信号の変化に従ってグラフ上を
    瞬時値が動きます。ベース〜エミッタ間電圧は直流電圧Vbbに交流電圧vbを重畳した波形となり、
    ベース電流は直流電流IB0に交流成分のibを重畳した波形になります。


    IB-Ic静特性上では動作点を中心として、交流信号の変化に従ってグラフ上を
    瞬時値が動きます。コレクタ電流は直流電流IC0に交流成分のicを重畳した波形になります。


    VCE-Ic静特性上では負荷直線上の動作点を中心として、交流信号の変化に従って
    瞬時値が動きます。コレクタ電圧は直流電圧Vccから負荷抵抗の両端の電圧降下である
    vc=Rc×Icを引いたものになります。
    このため、vcの波形はvbとは180度位相が逆になります。

    コレクタ電圧の動作点(VCE0)は
    VCE0 = Vcc - Rc * IC0
    となります。このIC0に信号電流ic(=hfe*ib) が重畳すると、コレクタ電圧の瞬時値は
    Vcc - Rc * (IC0 + ic) = Vcc - Rc * IC0 - Rc * ic
                    = (Vcc - Rc * IC0) - Rc * ic
                    = VCE0 - Rc * ic
    となることから、動作点の直流分VCE0に信号成分vc(= - Rc * ic)が重畳した波形となります。
    ここで、信号成分(Rc * ic)にはマイナスの符号がつくのでベースに接続した入力電圧vbとは
    180度位相が逆になります。


    なお、ここではバイアス電圧の意味を強調するために、直流分と交流(信号)分とを重畳した
    数式や波形としたことからやや複雑な表現となりましたが、通常、直流分(バイアス電圧)と
    交流分は分けて考えます。(交流的な動作解析は後述のhパラメータや等価回路を使います。)

    実際の増幅回路の例を下図に示します。
    交流の入力信号vsは、直流を遮断し交流のみを印加できるよう
    コンデンサCiを通してベースに接続します。
    また、出力voも直流を遮断し交流のみを取り出せるようコンデンサCoを
    経由して取り出します。
    エミッタの抵抗REに並列に接続されたコンデンサCEはバイパス・コンデンサ
    と呼ばれ、エミッタの端子を交流的に接地するために接続されています。
    回路によっては、CEを接続しないこともあります。(交流負帰還動作となります。)


    増幅の用途においては、バイアス点をわざとずらして(深くして)、信号の波形を
    意図的に歪ませることがあります。
    このため、バイアスの深さにより、A級増幅、B級増幅、C級増幅、D級増幅、
    などの用語が用いられることがあります。(別途、記載予定)
  9. トランジスタのhパラメータ

    1. hパラメータ
    2. エミッタ接地回路の静特性グラフ から判るように、トランジスタの特性は
      非線形な特性となります。しかし、このままでは解析には不便なので
      トランジスタに適当なバイアス 電圧を加え、かつ、信号の振幅が
      小さい場合は、交流に対しては線形な動作をするものとして、近似して扱います。

      線形な動作をすると仮定したトランジスタの3本ある端子の1つを共通(接地)端子とし、
      2本の入力端子と2本の出力端子とから構成される4端子(=2端子)回路と見なします。
      そして、下図のように入力電圧をvi、入力電流をii、 出力電圧をvo、出力電流をioとします。
      ちなみに、一般的に、交流の電圧と電流は小文字で表現し、
      電流は回路に流れ込む方向をプラスに取ります。
      (ここのホームページでは必ずしもこのルールを守っていないところがあります。) (^^ゞ


      4端子回路の特性を表現する方法はいくつかありますが、バイポーラ・トランジスタでは
      おもにhパラメータが使われます。

      hパラメータで4端子回路を表現したとき、入出力の電圧、電流はhパラメータの
      定義により、次のような式で表されます。
      vi = hi×ii + hr×vo ・・・@
      io = hf×ii + ho×vo ・・・A

      ここで、各パラメータの物理的な意味を考えてみます。
      まず、出力端子を短絡します。hパラメータは交流動作に対する特性なので
      出力を直接短絡すると直流的に問題がある場合は、交流的に短絡すると考え
      大容量のコンデンサで短絡する、と考えましょう。そうするとvo=0です。


      従って、@式とA式は以下のようになります。
      vi = hi×ii ・・・B
      io = hf×ii ・・・C

      B式よりただちに、hi=vi/iiです。
      電圧を抵抗で割るのでhiの単位は[Ω]です。そして、入力電圧と入力電流の比
      なので、hiは入力端子からこの4端子回路を見たときの入力インピーダンスを
      表しています。

      C式よりただちに、hf=io/iiです。
      出力端子を短絡してもioは流れます。そして、hfは出力電流と入力電流の比を
      表しているため、この4端子回路の入力から出力への伝達特性を表しています。
      そして、hfは無次元のパラメータです。

      次に、@式、A式において、入力端子を開放します。


      するとii=0ですので、
      vi = hr×vo ・・・D
      io = ho×vo ・・・E

      D式よりhr = vi/voです。hrは出力側から入力側へ帰還特性を表しています。
      4端子回路では入力から出力へ一方的に信号が流れていくように感じますが、
      一般的には出力電圧(または電流)が変化すると、その変化が入力側の電圧
      (または電流)の変化をもたらします。この出力側から入力側への帰還特性が
      hrです。hrは無次元のパラメータです。

      最後にhoです。E式よりただちにho=io/voです。
      電流を電圧で割るのでhoの次元は抵抗の逆数で、アドミッタンスです。
      なので単位は[S](ジーメンス)です。
      hoは出力電流と出力電圧の関係を表しているので、出力側からこの4端子回路を
      見たときの出力アドミッタンス(純抵抗と見なせるならコンダクタンス)を表しています。

      以上のように、4つのパラメータを使って、この4端子回路を入力側から見ると
      どう見えるか(hi)、出力側から見るとどう見えるか(ho)、入力を変化させると
      出力がどのように変化するか(hf)、出力を変化させると入力がどのように
      変化するか(hr)を表すことが出来ます。

      hパラメータは、hi、hr、hf、hoの四つから成りますが、トランジスタでは
      接地方式が3通りありますので、 例えばエミッタ接地の場合のhパラメータは
      更に、パラメータの最後に「e」の文字を付けて、hie、hre、hfe、hoeの4つの
      パラメータで表現します。すなわち、トランジスタをこの4つのパラメータで
      表現される四端子回路で置き換えて考える、とゆうことになります。


    3. hie
    4. VBE-IB静特性上の動作点における接線は入力電流ibと入力電圧vbeとの比と
      なるためib/vbeはトランジスタの入力側のアドミッタンスに相当します。
      hieはvbe/ibで定義されるので単位は[Ω]になります。

      VBE-IB静特性はPN接合の電圧〜電流の関係式と同じであるため、
      ダイオードと同様に、下記の式で表されます。

      IB = Is * {exp((q/kT)*VBE) − 1)}

      ここに、
      Is: 逆方向飽和電流
      q: 電子の電荷 (1.60×10-19 [C])
      k: ボルツマン定数 (1.38×10-23 [J/K])
      T: 絶対温度

      hieはこの式の接線となるため、上式をVBEで微分するとバイアス点における
      等価的な抵抗としてhieが求まります。

      hie = ∂VBE/∂IB = 1/(∂IB/∂VBE)
        = 1/[(q/kT) * Io * exp{(q/kT)*VBE}]

      常温においては、exp{(q/kT)*VBE} >> 1 であることから
      IB ≒ Is * exp{(q/kT)*VBE}

      従って、
      hie ≒ 1/[(q/kT) * IB]
        = (kT/q) / IB

      T=293°K(20℃)のときkT/q≒25[mV]となるので、
      hie = 25×10-3/IB
      hie = 1 / [40 * IB]

      また、Ic = β * IBなので、
      hie = 1 / [40 * Ic / β]
        = β / [40 * Ic]
        ≒ β / [40 * IE]  (β>>1とした)

    5. hfe
    6. IB-Ic静特性上の動作点ではグラフがほぼ直線となり、かつ直線は原点を通るため、
      直流電流増幅率(hFE=Ic/IB)と 交流電流増幅率(hfe=ic/ib)はほぼ同じ値となります。
      hfeは無次元の値です。


    7. hoe
    8. VCE-Ic静特性上では、ベース電流一定の条件でコレクタ〜エミッタ間電圧VCE
      変化させた時のコレクタ電流(Ic)の変化の比僮c/儼CEがhoeとゆうパラメータになります。
      hoeは抵抗の逆数なのでアドミッタンスです。よって単位は[S](ジーメンス)です。
      1/hoe[Ω]は負荷抵抗:Rcより大きいため近似のためには無視することがよくありますが、
      一般的には必ずしも無視出来るほどの差はないです。


    9. hre
    10. コレクタ電圧vceを変化させたときのベース電圧vbeの変化の比(vbe/vce)がhreとなります。
      エミッタ接地においてはhreはたいへん小さく低周波では0と考えて問題ありません。
      hreは無次元の値です。
      高周波回路においては、トランジスタ内部の容量によりコレクタからベースに
      信号が戻るため、hreは無視できなくなります。【高周波につては別途検討します】

    11. 3つの接地方式とhパラメータの変換
    12. エミッタ接地、コレクタ接地、ベース接地のそれぞれのhパラメータは
      下記の表のように互いに変換可能です。
      表の式は一部近似式です。
      接地方式備考
      エミッタ接地hiehichib/(1+hfb)
      hre1-hrchib*hob/(1+hfb)-hrb 
      hfe-(1+hfc)-hfb/(1+hfb) 
      hoehochob/(1+hfb) 
      コレクタ接地hichiehib/(1+hfb)
      hrc1-hre1 (*1) 
      hfc-(1+hfe)-1/(1+hfb) 
      hochoehob/(1+hfb) 
      ベース接地hibhie/(1+hfe)-hic/hfc
      hrbhie*hoe/(1+hfe)-hrehrc-hic*hoc/hfc-1 
      hfb-hfe/(1+hfe)-(1+hfc)/hfc 
      hobhoe/(1+hfe)-hoc/hfc 
      この表の変換式の誘導は(*1)を除いて こちらを参照してください。

      なお、上記の計算にあたっては、下記の関係式を用います。
      vbe + vec + vcb = 0
      ib + ie + ic = 0
      veb = -vbe, vce = -vec, vbc = -vcb
      vbe << vcb ≒ vce


  10. バイポーラ・トランジスタの等価回路

  11. 静特性で見たように、トランジスタの特性は本来、非線形であるため
    このままでは解析が出来ません。
    そのため、回路によっていくつかの近似的なモデルを使い分けます。
    増幅回路の場合は、線形近似であるhパラメータやyパラメータが
    使用されます。
    静特性から得られるhパラメータは、直流的な測定から得られるため
    信号の周波数が低い場合は十分な近似が成り立ちますが、
    信号の周波数が高くなると、トランジスタ内部の静電容量の影響が
    現れてくるため、等価回路にも静電容量のあるものが必要になります。

    1. 小信号等価回路
      以下の記述において、
      γ = 25/IE[mA] [Ω]
      β = hFE(直流電流増幅率)
      α = β/(β + 1)
      とします。


    2. 高周波回路の等価回路(Yパラメータ)(工事中)


    3. パルス回路の等価回路(工事中)


    4. エバース・モル・モデル(工事中)

  12. エミッタ共通トランジスタ増幅回路(交流負帰還なし)

    1. 回路図
    2. 実際のトランジスタ増幅回路は下図のようになります。


    3. 回路の動作
    4. トランジスタのエミッタ端子を入力と出力の共通端子とすることから
      エミッタ共通増幅回路、またはエミッタ接地増幅回路といいます。
      入力信号viはベースに印加し、出力はコレクタから取り出します。
      viによりトランジスタのベース電流ibが変化すると、このベース電流の変化は
      トランジスタの電流増幅作用によりコレクタ電流icの変化となりますが、
      この際、icの変化はibの変化のhfe倍となります。
      icの変化は、抵抗器Rcにより電圧の変化となり、カップリング・コンデンサ(Co)
      を経由して増幅器の出力Voとなります。
      なお、エミッタの抵抗REには、バイパス・コンデンサCEが接続されているため
      交流的にはトランジスタのエミッタ端子はグランドに接続されています。
      従って、viはvbeと同じになります。このようにCEを接続した場合
      交流負帰還がかからない動作となります。

    5. 回路の交流等価回路
    6. 回路図を変形しながら、 増幅回路の交流等価回路を求めると下図のようになります。


    7. 入力インピーダンス
    8. 出力インピーダンス
    9. 電圧増幅度

    10. 入力側カップリング・コンデンサCiの影響

    11. 出力側カップリング・コンデンサCoの影響

    12. バイパス・コンデンサCEの影響

  13. エミッタ共通トランジスタ増幅回路(交流負帰還有り)

    1. 回路図

    2. 等価回路

    3. 入力インピーダンス

    4. 出力インピーダンス

    5. 電圧増幅度

    6. 入力側カップリング・コンデンサCiの影響

    7. 出力側カップリング・コンデンサCoの影響

  14. コレクタ接地増幅回路(エミッタ・フォロワー)

    1. 回路図

    2. 等価回路

    3. 入力インピーダンス

    4. 出力インピーダンス

    5. 電圧増幅度

    6. 入力側カップリング・コンデンサCiの影響

    7. 出力側カップリング・コンデンサCoの影響

  15. 段間結合回路

  16. 1段の増幅回路では増幅度が足りない場合などは、複数の増幅回路を接続することがあります。
    その場合、増幅回路を直接接続してしまうと、前後の増幅回路の直流動作点がずれてしまい
    不都合が発生するので、増幅回路間に結合回路を挿入します。


    1. コンデンサ結合(またはCR結合)
    2. 増幅回路間に結合コンデンサーと呼ばれるコンデンサーを接続し、信号のみを通過させ、
      直流的には増幅回路を分離する方式です。
      コンデンサーは増幅回路が持っている抵抗分とフィルターを構成するので
      通過させる信号の周波数に合わせて、必要な容量を検討する必要があります。


    3. トランス結合
    4. 増幅回路間をトランスで接続し、信号のみを通過させ、直流的には増幅回路を
      分離する方式です。トランスによりインピーダンス変換出来るので、結合回路における
      信号の減衰を小さく出来るメリットがあります。
      一方、デメリットとしては、トランスの周波数特性があまり良くないことや
      低周波用のトランスは重たくなり、サイズも大きく、高価になるという欠点があります。
      近年、ほとんど使用されなくなりました。


    5. 直結回路(DC結合)
    6. 前段増幅回路の出力の直流レベルと、後段増幅回路の入力の直流レベルが等しければ
      回路を直接接続することが出来ます。
      コイルやコンデンサーがなくなるので、とくに低域周波数での周波数特性に優れています。
      また部品の数も減らせます。
      増幅回路の全段を直結にすると、直流の増幅も可能となりますので、演算増幅器(オペアンプ)
      の内部回路などで見ることが出来ます。


    7. 高周波回路におけるトランス結合
    8. 高周波回路では、トランスの1次側、または1次側と2次側を共振回路にして、特定の幅の
      周波数帯のみを通過させることが多いです。
      トランスの1次側のみを共振回路する方式を単同調増幅回路といいます。
      コンデンサーは、可変コンデンサー(多連バリコン)を使用することもあります。


      トランスの1次側と2次側を共振回路する方式を複同調増幅回路といいます。
      単同調増幅回路に比べ、通過帯域幅を広くしたい場合などに使用されます。



  17. FET(Field Effect Transistor:電界効果トランジスタ)

  18. バイポーラ・トランジスタは多数キャリアと小数キャリアの両方が動作に関与するのに対して、
    FETは多数キャリアのみが動作に関与します。

    1. FETの種類
    2. FETには大きく分けて接合型とMOS型(「モス型」と読む)のふたつのタイプがあります。
      更にそれぞれPチャネルとNチャネルのタイプがあります。
      いずれのタイプも3種類の電極を持ち、ドレイン(D)、ゲート(G)、ソース(S)と
      名付けられていますが、中にはゲートを2本持つものもあります。

      MOS型は動作モードにより、ディブレッション型とエンハンスメント型の
      ふたつの型があります。
      ディブレッション型は、ゲート電圧を0にした状態でドレイン電流が流れ
      ゲート電圧を大きくしていくとドレイン電流が減少していきます。
      エンハンスメント型は、ゲート電圧を0にした状態でドレイン電流はほとんど0で、
      ゲート電圧を大きくしていくとドレイン電流が増加していきます。
      動作の詳細はそれぞれの項目を参照してください。

      ゲート構造 動作モード Nチャネル Pチャネル
      接合型 ディプレッション
      MOS型 ディプレッション
      エンハンスメント

    3. 接合型FET

    4. MOS型FET



  19. 接合型FETのソース接地増幅回路(交流負帰還なし)

    1. 回路図


    2. 回路の動作
    3. FETのソース端子を入力と出力の共通端子とすることからソース接地増幅回路
      と言います。入力信号viはゲートに印加し、出力はドレインから取り出します。
      viによりFETのゲート〜ソース間電圧(vgs)が変化すると、ドレイン電流(id:=僮D)が
      変化します。idが変化するとドレイン抵抗(RD)の両端の電圧が変化し
      この電圧の変化を出力側のカップリング・コンデンサー(Co)から出力voとして
      取り出します。ソースのバイアス抵抗(RS)にはバイパス・コンデンサ (CS)が
      並列に接続されているため、ソース端子は交流的にはグランドに接続されています。
      このため、交流的には負帰還がかからない構成となります。
    4. 回路の交流等価回路
    5. カップリング・コンデンサ(Ci, Co)とバイパス・コンデンサ(Cs)に十分大きなものを
      使用したとすると、そのインピーダンスが無視出来るので交流的な等価回路では
      短絡して考えることが出来ます。また理想的な直流電源のインピーダンスも0です。
      更に、多くの場合、FETの内部抵抗(rd)より負荷抵抗(RD)の方が小さいので
      ソース接地の簡略化等価回路 を使用すると下図となります。


    6. 入力インピーダンス
    7. FETの入力インピーダンスは非常に高いため、増幅回路としての入力インピーダンスZiは
      Zi = RG

      となります。

    8. 出力インピーダンス
    9. 制御電流源のインピーダンスは∞なので、増幅回路としての出力インピーダンスZoは
      Zo = RD

      となります。

    10. 電圧増幅度
    11. この増幅回路の出力に入力インピーダンスRLの回路を
      接続したとすれば等価回路は下図となります。

      等価回路より
      vo = (-vgs * gm) * (RD // RL)

      となります。// の記号は並列接続の意味です。
      入力側ではvi = vgsなので電圧増幅度Avは
      Av = vo/vi = (-vgs * gm) * (RD // RL)/vgs
      Av = −gm * (RD // RL)

      となります。
      ここで、マイナスの符号はvoがviに対して、
      位相が180度反転することを意味しています。

    12. 入力側カップリング・コンデンサCiの影響
    13. 出力側カップリング・コンデンサCoの影響

    14. バイパス・コンデンサCsの影響(暫定)

  20. 接合型FETのソース接地増幅回路(交流負帰還あり)

    1. 回路図

    2. 回路の交流等価回路
    3. カップリング・コンデンサ(Ci, Co)に十分大きなものを使用したとすると、
      そのインピーダンスが無視出来るので交流的な等価回路では短絡して
      考えることが出来ます。また理想的な直流電源のインピーダンスも0です。
      更に、多くの場合、FETの内部抵抗(rd)より負荷抵抗(RD)の方が小さいので
      ソース接地の簡略化等価回路 を使用すると下図となります。


    4. 入力インピーダンス
    5. FETの入力インピーダンスは非常に高いため、増幅回路としての入力インピーダンスZiは
      Zi = RG

      となります。

    6. 出力インピーダンス
    7. 制御電流源のインピーダンスは∞なので、増幅回路としての出力インピーダンスZoは
      Zo = RD

      となります。

    8. 電圧増幅度
    9. この増幅回路の出力に入力インピーダンスRLの回路を
      接続したとすれば等価回路は下図となります。

      等価回路より電圧増幅度Avは下記の式で与えられます。
      (詳細な誘導は式のリンクを見てください。)
      Av = −gm * (RD//RL) /( 1 + gm * Rs)

      となります。// の記号は並列接続の意味です。
      ここで、マイナスの符号はvoがviに対して、
      位相が180度反転することを意味しています。

    10. 入力側カップリング・コンデンサCiの影響
    11. 出力側カップリング・コンデンサCoの影響

  21. 接合型FETのドレイン接地増幅回路

    1. 回路図

    2. 回路の交流等価回路
    3. カップリング・コンデンサ(Ci, Co)に十分大きなものを使用したとすると、
      そのインピーダンスが無視出来るので交流的な等価回路では短絡して
      考えることが出来ます。また理想的な直流電源のインピーダンスも0です。
      この回路は小信号増幅を行うので、FETは線形動作するものとして近似し
      ドレイン接地の等価回路 で置き換えています。


    4. 入力インピーダンス
    5. FETの入力インピーダンスは非常に高いため、増幅回路としての入力インピーダンスZiは
      Zi = RG

      となります。

    6. 出力インピーダンス
    7. 制御電流源のインピーダンスは∞なので、増幅回路としての出力インピーダンスZoは
      Zo = RS // {rd/(μ + 1)}

      ここで、rd >> 1/gmの関係が成り立てば、
      Zo ≒ RS // 1/gm

      さらにRS >> 1/gmが成り立てば
      Zo ≒ 1/gm

      とすることが出来ます。

    8. 電圧増幅度
    9. この増幅回路の出力に入力インピーダンスRLの回路を
      接続したとすれば等価回路は下図となります。

      等価回路より電圧増幅度Avは下記の式で与えられます。
      (詳細な誘導は式のリンクを見てください。)
      Av = μ * R / {rd + (μ + 1) * R}

      rd >> 1/gmの関係が成り立つなら
      Av ≒ gm * R / {1 + gm * R}

      さらにR * gm >> 1であるならば
      Av ≒ 1

    10. 入力側カップリング・コンデンサCiの影響
    11. CiはRGとともにローカットフィルターを形成します。
      そのカットオフ周波数をfiとすれば、
      fi = 1/(2π * Ci * RG)

    12. 出力側カップリング・コンデンサCoの影響
    13. Coは出力インピーダンスZoと次段の入力インピーダンスRLとともに
      ローカットフィルターを形成します。
      そのカットオフ周波数をfoとすると、
      fo = 1/{2π * Co * (Zo + RL)}

      ここで、Zoは出力インピーダンスで
      Zo = {rd/(μ+1)} // RS
       = {rd/(μ+1) * RS} / {rd/(μ+1) + RS}

      で定義されますが、もしrd >> 1/gmが成り立つなら
      Zo ≒ RS / {1 + gm * RS}

      と近似することが出来、さらにgm*RS>>1が成り立つなら
      Zo ≒ 1 / gm

      となるので、結局
      fo ≒ 1/{2π * Co * (1/gm + RL)}

      と近似出来ます。

  22. 接合型FETのゲート接地増幅回路(工事中)


  23. MOS FETのソース接地増幅回路(工事中)


  24. 負帰還増幅回路(工事中)

    1. 負帰還とは

    2. 負帰還の原理


    3. 負帰還の詳細はこちら(工事中)。

  25. 発振回路

    1. 発振回路とは
    2. 信号を発生させる回路を発振回路と言います。
      発生させる信号の波形や周波数などにより様々な方式がありますが、
      ここでは、正弦波の発振回路の原理について記載します。
      正弦波以外の発振回路については発振回路の設計のページに記載予定です。

    3. 発振の原理と発振条件
    4. 下図のように増幅度Gの増幅器の出力voの一部を、帰還回路を経由して増幅器の
      入力に戻します。増幅器の入力をviとすれば増幅器の出力は
      vo = G * vi ・・・・・ (1)

      となります。また帰還回路の出力vf
      vf = F * vo ・・・・・ (2)

      となります。ここでFは帰還率といいます。
      GとFは一般的には複素数ですので、viとvo、voとvf
      位相がずれます。
      このとき、viとvfの位相が同じになる場合を正帰還と言いい、
      発振回路では正帰還を用います。


      (1)式と(2)式から
      vf = F * G * vi ・・・・・ (3)

      となりますが、今、電源投入時などのノイズがviとして増幅器に入ったとすると
      (F * G)>1なら、(3)式からvf>viとなります。 このvfが再びviとなるため、
      vi → vo → vf → vi →・・・・

      の順番でぐるぐると回って振幅はどんどん大きくなっていきます。
      やがて、増幅器の出力の飽和によってvoはあるレベルで一定になります。
      voの時間的な変化を表したのが下図です。


      振幅が拡大する時間帯ではFG>1であり、安定に発振するようになるとFG=1となります。

      以上の動作から、発振条件は下記のふたつとなります。 (バルクハウゼンの発振条件)
      (1)FGの虚数部が0。(周波数条件)
        viとvfの位相が同じになるための条件はFGの虚数部が0になることです。
        そして、位相のずれは周波数によって変わりますので、FGの虚数部が0になる周波数で
        発振することになります。
      (2)FGの実数部≧1。(振幅条件)
        FG<1であると、vf<viとなるため、vi、vo、vfは どんどん小さくなり、
        発振が継続しません。

    5. CR発振回路
    6. RC発振回路ともいいます。
      CR発振回路は主に低周波の発振に使用されます。


    7. LC発振回路
    8. CL発振回路という言い方はあまりしません。
      LC発振回路の詳細はこちら


    9. 水晶発振回路(工事中)
  26. リニア安定化電源回路

    1. ツェナー・ダイオードによる定電圧電源回路

    2. 電流増幅付きツェナー定電圧電源回路

    3. トランジスタによる帰還増幅型定電圧電源回路

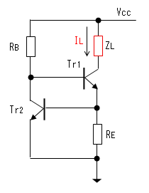
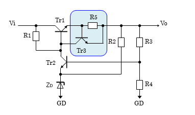
    4. 過電流保護回路


    5. 直流増幅回路による誤差増幅(ここには書かない?)

    6. 3端子レギュレータ(ここには書かない?)


  27. 直流回路で使用される回路

  28. リニア安定化電源回路も直流回路ですが(^^;、ここでは(定電圧)電源回路以外の
    直流回路をとりあげます。
    なお、演算増幅器(オペアンプ)は別ページで扱います。

    1. 定電流回路(1石構成)

    2. 定電流回路(2石構成)

    3. FETによる定電流回路(工事中)

    4. カレントミラー(工事中)

    5. ダーリントン接続(工事中)

    6. 差動増幅回路
    7. 差動増幅回路は直流から交流まで増幅することが出来ます。
      差動増幅回路の詳細は、トランジスタ増幅回路の解析に記載した
      差動増幅回路の解析を参照してください。

  29. 電力増幅回路(工事中)


  30. 高周波増幅回路(工事中)

  31. オペアンプ(工事中)

  32. スイッチング電源回路(工事中)

  33. パルス回路・ディジタル回路(工事中)

  34. 変更来歴

  35. ツェナー・ダイオードによる定電圧電源回路について記載。(2015/02/07)
    バイポーラ・トランジスタのバイアス回路について記載。(2015/03/07)
    エミッタ接地トランジスタ増幅回路(交流負帰還なし) について記載。(2015/03/20)
    エミッタ接地トランジスタ増幅回路(交流負帰還あり) について記載。(2015/04/01)
    電流増幅付きツェナー定電圧電源回路について記載。(2015/06/01)
    トランジスタによる帰還増幅型定電圧電源回路 について記載。(2015/07/16)
    整流回路の動作について記載。(2021/09/01)
    平滑回路の動作(コンデンサー入力形)について記載。(2023/02/27)
    整流用ダイオードの逆耐圧と電流についてと 電源回路のまとめについて記載。(2023/04/09)
    接合型FETのソース接地増幅回路(交流負帰還なし) についてと目次を記載。(2023/08/01)
    倍電圧整流回路の動作について記載。(2023/12/07)
    接合型FETのソース接地増幅回路(交流負帰還あり) について記載。(2024/02/25)
    電子回路の基礎概念に電圧源と電流源、テブナンとノートンの等価回路 を記載。(2024/03/20)
    電子回路の基礎概念に2端子対回路を記載。(2024/03/23)
    接合型FETの記載完成。(2024/03/29)
    接合型FETのドレイン接地増幅回路 について記載。(2024/04/14)
    段間結合回路について記載。(2024/05/08)
    ダイオードについて見直し・完成。(2024/08/13)
    バイポーラ・トランジスタ について見直し・完成。(2024/08/16)
    バイポーラ・トランジスタのバイアス回路の項で、 VCE−Ic静特性上の動作説明を修正。(2024/08/28)
    トランジスタのhパラメータについて見直し・完成。(2024/08/28)
    バイポーラ・トランジスタの等価回路について見直し・完成。(2024/08/30)
    電子回路の基礎概念にdB(デシベル)を記載。(2024/09/02)
    電子回路の基礎概念のCR回路の周波数特性を見直し。(2024/09/02)
    電子回路の基礎概念にCR回路の周波数特性(信号源と負荷を考慮した場合) を記載。(2024/09/03)
    エミッタ接地トランジスタ増幅回路(交流負帰還なし) のカップリング・コンデンサの影響を修正。(2024/09/09)
    エミッタ接地トランジスタ増幅回路(交流負帰還あり) のカップリング・コンデンサの影響を修正。(2024/09/09)
    コレクタ接地(エミッタ・フォロワー) について見直し・完成。(2024/09/30)
    発振回路について記載。(2024/11/04)
    本ページのタイトルに「電子工作のための〜」を追加。(2025/12/01)
    理想ダイオードの記述について訂正。(2025/12/01)
    定電流回路(1石構成)について記載。(2026/03/26)
    定電流回路(2石構成)について記載。(2026/04/08)
    過電流保護回路について記載。(2026/04/17)


JH8CHUのホームページ>電子回路


Copyright (C)2008,2012-2014, 2015, 2020-21, 2023-2026 Masahiro.Matsuda(JH8CHU), all rights reserved.