JH8CHUのホームページ>
電子回路>安定化電源の(垂下型)過電流保護回路
安定化電源の(垂下型)過電流保護回路
本ページ作成。(2026/04/17)
回路の機能
電源ラインの短絡や負荷回路部品の損傷などにより、電源回路の出力電流が
過大になり、発熱による発火や発煙・焼損などが発生しないように電流を
制限する回路です。
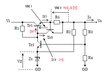
回路図
下図は帰還増幅型定電圧電源回路に
過電流保護回路としてTr3とR5を追加したものです。
電流制限のためにはTr1も関係します。

回路の動作
- 過電流になっていないとき
出力電流(Io)はTr1のエミッタとR5を経由して流れています。
そして、R5の両端の電圧はTr3のベース〜エミッタ間電圧
VBE3となります。
よって、Tr1のエミッタ電流をIE1とすれば、
VBE3 = IE * R5
となりますが、過電流になっていないとき、VBE3は0.6[V]より小さく
Tr3は遮断状態となって、コレクタ電流(IC3)は流れません。

- 過電流に達したとき
出力電流(Io)の増加に伴い、VBE3も増加します。
やがて、VBE3が0.6[V]に近づくとTr3は遮断状態から
能動状態となりコレクタ電流(IC3)が流れ始めます。
IC3が流れ始めると、Tr1のベース電流
(IB1)が減少します。
IB1の減少は、Tr1のエミッタ電流(IE1)を減少させ
出力電流(Io)の増加が制限されます。

IE1が制限されているにもかかわらず、更に出力電流(Io)が増加しようと
したならば、出力電圧(Vo)が低下し始めます。
極端な場合、出力端子とグランドが短絡してしまいVo=0となることも
想定されます。
この動作における理想的な出力電圧(Vo)と出力電流(Io)の関係は下記となります。
このグラフにおいて制限電流に達するとVoが急激に低下するので垂下型と呼ばれます。

しかし、本回路のように簡単な回路では制限電流に達するとゆっくりVoが低下
するようになります。

過電流に対して制限が開始される電流(Ilim)がいくらになるかといえば
VBE3が約0.6[V]となる電流なので
Ilim ≒ 0.6[V] / R5
出力短絡時の出力電流
出力電流(Io)が増加しVoが低下すると、やがて(Vo < VZ)となります。
そうすると、R2経由でツェナーダイオードに電流が流れなくなると同時に、
トランジスタTr2のベース電圧が低下しTr2が遮断状態となります。
この状態の等価回路は下図となります。

抵抗R3とR4の電流がIoより小さいとすれば、
Io = IC1 + IC3
となります。
ところで、緑の網掛け部分は2石構成の定電流回路
にみえます。
しかし、定電流となるのはIC1の値でIC3はVoによって変化します。
それぞれの値は次の式で計算できます。
IC1 ≒ VBE3 / R5 (llimと同じ式)
IC3 ≒ (Vi - VBE1 - VBE3 - Vo) / R1
(Vo=0で最大となる)
もし、IC1≧IC3 が成り立つなら出力短絡時の電流はIC1となりますが、
成り立たないのであれば、短絡時の電流はIC3の分だけ大きくなるので
注意が必要です。
参考文献
- トランジスタ回路の実用設計(2005 初版)、渡辺明禎著、CQ出版社
参考文献
- 電子回路−帰還増幅型定電圧電源回路
- 電子回路−定電流回路(2石構成)
JH8CHUのホームページ>
電子回路>安定化電源の(垂下型)過電流保護回路
Copyright (C)2026 Masahiro.Matsuda(JH8CHU), all rights reserved.