JH8CHUのホームページ>電源回路の実験
電源回路の実験
本ページ作成開始(2006/09/29)
整流の実験回路を追記(2012/10/03)
垂下型過電流保護回路の実験回路を追記(2014/05/02)
ツェナー・ダイオードによる電源安定化の実験を記載(2015/02/08)
ツェナー・ダイオードによる電源安定化の実験の詳細に説明追記(2017/12/17)
実験項目見直し(2021/04/04)(2021/08/26)
整流回路の実験を記載(2021/09/05)
平滑回路の実験を記載(2023/04/24)
ツェナー・ダイオードによる定電圧電源回路の実験について
修設計値を修正。(2024/11/29)
電流増幅付き定電圧電源回路の実験について見直し・完成。
(2024/12/22)
トランジスタによる帰還増幅型定電圧電源回路について記載。(2026/02/24)
整流電源回路の実験
- 整流回路の実験
- 実験の目的
各種整流回路の実際の波形を観測し、動作を確認します。
- 実験課題
下記の方式の整流回路について整流波形をオシロスコープで観測します。
(1)半波整流回路
(2)全波整流回路
(3)ブリッジによる全波整流回路
(4)正負電圧が同時に取り出せるブリッジ全波整流回路
- 実験回路
(1)半波整流回路

(2)全波整流回路

(3)ブリッジによる全波整流回路

(4)正負電圧が同時に取り出せるブリッジ全波整流回路

- 実験の詳細
整流回路の実験の詳細はこちら。(2021/09/05)
- 平滑回路の実験
- 実験の目的
コンデンサ入力形の平滑回路について、平滑回路の時定数を変えたとき
リプル波形がどのように変化するかを確認します。
実験は半波整流回路とブリッジ型全波整流回路のそれぞれについて
平滑回路のコンデンサーの値を変えて、リプル波形とリプル含有率を測定します。
- 実験課題
(1)半波整流回路と平滑回路におけるリプルの観測
(2)ブリッジ型全波整流回路と平滑回路におけるリプルの観測
- 実験回路
(1)半波整流回路と平滑回路におけるリプルの観測

(2)ブリッジ型全波整流回路と平滑回路におけるリプルの観測

- 実験の詳細
平滑回路の実験の詳細はこちら。(2023/04/24)
- 倍電圧整流の実験(工事中)
- 電源トランスの特性測定の実験(工事中)
- コイル入力型平滑回路の実験(工事中)
リニア安定化電源の実験
- ツェナー・ダイオードによる定電圧電源回路の実験
(1)実験の目的
ツェナー・ダイオードの特性をそのまま使用した電圧安定化回路について
安定化の特性を定量的に考察をする。
(2)実験課題
下記の項目について測定を行い、ツェナー・ダイオードの仕様から計算した
出力電圧の変動幅(最大値)に対して、実験から得た出力電圧の変動幅が
設計値の範囲に収まることを確認する。
@負荷変動に対する出力電圧の変化
A入力電圧の変動に対する出力電圧の変化
(3)実験回路

(4)実験の詳細
実験の詳細はこちら。
(2015/02/08)(2017/12/17改)(2023/04/27改)(2024/11/29改)
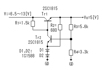
- 電流増幅付き定電圧電源回路の実験
(1)実験の目的
電圧の安定化についてはツェナー・ダイオードの特性をそのまま利用しますが、
電流増幅のためのトランジスタを追加することにより、ツェナー・ダイオード
単体より安定化できる負荷電流の値を大きくできる安定化電源回路について
動作を確認し、基本的な特性を測定します。
(2)実験課題
下記の項目について測定を行い、定量的な設計が可能か検討します。
@負荷変動に対する出力電圧の変化率
A入力電圧の変動に対する出力電圧の変化率
B電流制限回路の動作の確認
(3)実験回路
@実験回路(1)

A実験回路(2)

B実験回路(3)

(4)実験の詳細
実験の詳細はこちら。(2024/12/22)
- トランジスタによる帰還増幅型定電圧電源回路
- 実験の目的
帰還増幅型定電圧電源の基本回路を設計し、実際に回路を組み立て動作を確認します。
この際、負荷電流と入力電圧を変化させ、出力電圧の安定度を確認します。
- 実験課題
下記の項目について測定を行います。
- 負荷変動に対する出力電圧の変化
- 入力電圧の変動に対する出力電圧の変化
- 実験回路

- 実験の詳細
実験の詳細はこちら。(2026/02/24)
- 垂下型電流制限方式による保護回路の実験
- 実験の目的
電源回路において過電流が発生した際に電流制限をする機能回路の
ひとつである垂下型電流制限回路について動作を解析したのち、
実際に回路を組み立てて動作を確認する。
- 実験課題
設計した垂下型電流制限回路に実際に過電流が流れる負荷を接続して
電流制限の機能が動作することを確認する。
また、過電流に対する出力の特性を測定する。
- 実験回路
- 実験の詳細
- 差動増幅による安定化の実験
- オペアンプによる安定化の実験
- 3端子レギュレータの実験
スイッチング安定化電源の実験
-
-
-
-
DC/DCコンバータの実験
-
-
-
-
JH8CHUのホームページ>電源回路の実験
Copyright (C)2006,2012,2014,2017,2021,2024 Masahiro.Matsuda(JH8CHU), all rights reserved.