JH8CHUのホームページ>トランジスタ・パルス回路の実験
トランジスタ・パルス回路の実験
実験項目追加(2008/04/12)
実験項目見直し(2012/11/10)
ダイオード・リミッターの実験
について記載(2024/06/30)
参考文献をトランジスタ・パルス回路の解析のページに集約。(2025/05/26)
ダトランジスタ・スイッチとLEDの点灯/消灯制御実験
について記載(2025/07/07)
カレント・スイッチの実験を記載(2025/09/28)
シュミット・トリガーの実験を記載(2025/11/17)
CR微分・RC積分回路の実験を記載(2025/12/16)
双安定マルチバイブレータの実験を記載(2026/01/14)
非安定マルチバイブレータの実験を記載(2026/01/22)
単安定マルチバイブレータの実験を記載(2026/01/29)
スピードアップ・コンデンサーの実験を記載(2026/02/06)
ダイオード・リミッターの実験
- 実験の目的
ダイオードを使用したリミッター回路について原理を
理解するととにも、回路を組み立て、動作を確認します。
- 実験課題
ダイオードを用いたリミッターの回路を設計し、与えられた仕様の電圧レベルで
波形の振幅が制限されることを確認します。
- 実験回路

- 実験の詳細はこちら(2024/06/30)。
トランジスタ・スイッチとLEDの点灯/消灯制御実験
- 実験の目的
トランジスタ・スイッチの入出力特性を測定し、その後発光ダイオード(LED)の点灯/消灯制御が
出来ることを確認してトランジスタ・スイッチの基本動作を理解します。
- 実験課題
- トランジスタ・スイッチの入出力伝達特性測定
- LEDの点灯/消灯制御
- 交流入力に対する応答波形の確認
- 実験回路
- トランジスタ・スイッチの入出力伝達特性測定

- LEDの点灯/消灯制御

- 交流入力に対する出力波形の確認

- 実験の詳細
実験の詳細はこちら。(2025/07/07)
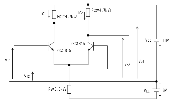
カレント・スイッチ
- 実験の目的
カレント・スイッチの実験回路を設計し、実際に回路を組み立て動作を確認します。
動作確認は、まずカレント・スイッチの入出力静特性を測定し、次に正弦波を入力して
出力波形を観察します。波形観測では参照電圧を変化させ、出力波形がどのように
変化するかも観察します。
- 実験課題
- 入出力静特性測定
Vi2を参照電圧とし0[V]に固定し、入力となるVi1の直流電圧を
変化させ、出力であるVo1とVo2の直流電圧を測定します。
- 波形確認
入力となるVi1に正弦波を入力し、参照電圧であるVi2
を変化させながら、出力であるVo1とVo2の波形を観測します。
- 実験回路

- 実験の詳細
実験の詳細はこちら。(2025/09/28)
シュミット・トリガ
- 実験の目的
シュミット・トリガの実験回路を設計し、実際に回路を組み立て動作を確認します。
動作確認は、まずシュミット・トリガのふたつの安定点の直流レベルが設計通りか測定し、
次に正弦波を入力して出力波形を観察します。
- 実験課題
- 安定点における直流レベル測定
入力の直流レベルをHighレベルまたはLowレベルに固定し、それぞれにおける
シュミット・トリガ回路各部の電圧を測定して設計値と比較します。
- 波形確認
正弦波入力に対する出力波形を観測します。
- 実験回路

- 実験の詳細
実験の詳細はこちら。(2025/11/17)
CR微分回路・RC積分回路
- 実験の目的
CR微分回路とRC積分回路に矩形波を入力し、時定数を変えたとき波形が
どのように変化するか観測します。
- 実験課題
- 矩形波入力時の波形観測
CR微分回路とRC積分回路それぞれに矩形波を入力し、出力波形を観測します。
また、入力周波数は一定にしたまま時定数を変え、その変化を見ます。
- 実験回路
- CR微分回路
- RC積分回路
- 実験の詳細
実験の詳細はこちら。(2025/12/16)
- 実験の目的
双安定マルチバイブレータを設計し、回路を組み立てて動作を確認します。
まず、RSフリップ・フロップを使い、直流安定点がふたつあることを確認します。
そしてset端子とreset端子に印加したトリガ・パルスによりふたつの安定点間を
遷移させることが出来ることも確認します。
次に、T-フリップ・フロップにて、1/2分周動作の波形を観測します。
- 実験課題
- 直流安定点の確認(RSフリップ・フロップ)
ふたつのトランジスタ(Tr1、Tr2)において
Tr1がON、Tr2がOFFの状態、または
Tr1がOFF、Tr2がONの状態で
回路が安定することを確認します。
また、リセット端子(Rn)から負のトリガ・パルスを入力するとTr1がONし、
セット端子(Sn)から負のトリガ・パルスを入力するとTr1がOFFして
状態を変えることを確認します。
- T-フリップ・フロップの動作波形確認
トリガ端子から連続した矩形波を入力し、トリガ・パルスが入る度に
マルチバイブレータの状態が反転することを波形により確認します。
- 実験回路
- 直流安定点の確認(RSフリップ・フロップ)
- T-フリップ・フロップ
- 実験の詳細
実験の詳細はこちら。(2026/01/14)
- 実験の目的
非安定マルチバイブレータを設計し、回路を組み立てて発振することを確認します。
- 実験課題
- 発振波形の確認
- 発振周波数の測定
設計値と実測値とを比較します。
- 回路図

- 実験の詳細
実験の詳細はこちら。(2026/01/22)
- 実験の目的
単安定マルチバイブレータを設計し、回路を組み立てて動作を確認します。
- 実験課題
- 安定状態の確認
トリガ・パルスが入っていないとき、回路が安定状態になることを確認し、
回路各部の電圧を測定します。
- 動作波形の確認
矩形波をトリガ端子から連続して入力し、出力が一定のパルス幅で
あることを確認します。
- 回路図

- 実験の詳細
実験の詳細はこちら。(2026/01/29)
- 実験の目的
トランジスタ・スイッチの回路にスピードアップ・コンデンサーを追加し、
その効果を確認します。
- 実験課題
- スピードアップ・コンデンサーの効果を波形で確認
コンデンサーの容量を変えながら出力波形の遅延時間を測定し、
適切と思われる容量の値を検討します。
- 回路図

- 実験の詳細
実験の詳細はこちら。(2026/02/06)
トランジスタ・インバーター(工事中)
- インバータの特性測定(1)
- 実験の目的
バイポーラ・トランジスタにONとOFFの動作をさせることにより実現するもっとも簡単な
インバータ回路について設計と実験を行い、インバータの動作原理を確認するとともに
論理回路として用いる場合の問題点を考える。
- 実験課題
下記の項目について出力の波形観測を行い、リミッタ回路の動作を確認する。
- 実験回路

- 実験の詳細
実験の詳細はこちら(工事中)。
- インバータの特性測定(2)

- インバータの特性測定(3)

- インバータの特性測定(4)

- LEDの点灯回路
- 関連項目
ダイオードOR(工事中)
ダイオードAND(工事中)
DTL NAND(工事中)
- 実験の目的
- 実験課題
- 実験回路

- 実験の詳細
実験の詳細はこちら(工事中)。
オープンコレクタ出力
DTL RS−FF


DTL D−FF

DTL T−FF?
DTL 半加算器
DTL 全加算器?
DTL カウンタ?
ミラー積分
ブートストラップ
パルス・アンプ
- 実験回路ブロック図

インバータ(工事中)
- 実験回路ブロック図

- 関連項目
JH8CHUのホームページ>トランジスタ・パルス回路の実験
Copyright (C)2008, 2012, 2024, 2025, 2026 Masahiro.Matsuda(JH8CHU), all rights reserved.