JH8CHUのホームページ>
トランジスタ・パルス回路の実験
>非安定マルチバイブレータの実験
非安定マルチバイブレータの実験
本ページ作成。(2026/01/22)
実験の目的
非安定マルチバイブレータを設計し、回路を組み立てて発振することを確認します。
実験課題
- 発振波形の確認
- 発振周波数の測定
設計値と実測値とを比較します。
実験回路
回路の機能と動作
下記の回路図のようにCR結合された2段のトランジスタ増幅器の出力を
点線のように接続し入力に戻すと、位相が同じになるため
正帰還がかかり、回路は発振します。
このとき、帰還量が多いため、発振波形は正弦波とはならず
波形の上下が歪んで矩形波に近い波形となります。

この回路は二つのトランジスタ回路が同じ形をしているため、
通常、下図のように左右対称に記述されます。

ふたつあるトランジスタは必ずTr1とTr2のどちらか一方が
ON(飽和)状態、
他方がOFF(遮断)状態
となっており、そして交互にON、OFFを
繰り返すとゆう特徴を持っています。

非安定マルチバイブレータの動作の詳細については、トランジスタ・パルス回路の
解析に記載した
非安定マルチバイブレータの項を参照してください。
実験回路の設計
- 設計条件
(1)電源電圧:およそ5[V]とします。
(2)使用するトランジスタ:定番の2SC1815-Y
(3)発振周波数:約500[Hz]
正確に合わせ込むことはしません。
手持ち部品で500[Hz]に近い値に設定します。
(4)デューティー:50[%]
(5)出力の負荷
トランジスタのコレクタには何も接続しません。
波形観測のためのオシロスコープを接続しますが、オシロの入力インピーダンスは
[MΩ]のレベルなので無視出来る値です。
- RC1、RC2の選定
トランジスタのコレクタから出力を取出す場合は、出力先の入力抵抗の1/10を
目安に決めるというのがひとつの考え方ですが、今回は何も接続しないので
自由に決められます。とりあえずコレクタ電流が5[mA]になるよう
RC1 = RC2 = 1[kΩ]としました。
- RB1、RB2の選定
トランジスタの直流電流増幅率(hFE)はデータシートより120(min)なので
トランジスタのベース電流は
IB = Ic / hFE(min) = 5[mA] / 120 ≒ 41.6[μA]
トランジスタがONしたとき確実に飽和するよう、通常この値の2〜10倍くらいの
ベース電流が流れるようRB1、RB2を決めますが、
まずは3倍で計算しました。
RB = (Vcc - VBE) / IB = (5 - 0.7) / (41.6[μA] * 3)
≒ 34.5[kΩ]
E6系列より選定して
RB1 = RB2 = 33[kΩ]としました。
- CB1、CB2の選定
デューティー50[%]の場合、発振周波数は次の式で決まります。
f = 0.7 / (CB * RB)
RBは前項で決めたのでCの値は、
C = 0.7 / (f * RB) = 0.7 / (500[Hz] * 33[kΩ]) ≒ 0.042[μF]
E6系列より選定し
CB1 = CB2 = 0.047[μF]としました。
この定数での発振周波数の理論値は
f = 0.7 / (CB * RB) = 0.7 / (0.047[μF] * 33[kΩ]) ≒ 451[Hz]
となります。
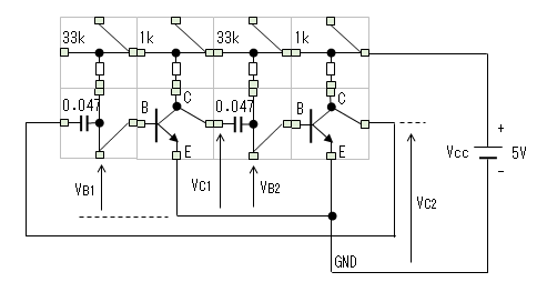
- 電子ブロックの配置
電子ブロックで実験回路を下図のように組み立てます。
電源は簡易安定化電源の5[V]端子を使用しました。

- 発振波形の観測
2チャンネル・オシロで
(1)VC1とVC2
(2)VC1とVB1
の波形を観測します。
- 発振周波数の測定
ディジタル・テスターで発振周波数を測定し、設計値との差を比較します。
実験機材
- 電子ブロック
使用したブロックは、実験方法の
電子ブロックの配置を参照。
- 簡易安定化電源 (5[V]端子)
- オシロスコープ
- ディジタル・テスター
実験結果
- 波形観測
(1)VC1とVC2の波形
交互にON/OFFを繰返し、発振している。立上がりは遅い。

上:VC1、 2V/div、0.5ms/div
下:VC2、2V/div、0.5ms/div
(2)VC1とVB2の波形
VB1はマイナス4[V]位まで振れている。

上:VC1、 2V/div、0.5ms/div
下:VB1、2V/div、0.5ms/div
- 発振周波数
| 設計値 |
実測値 |
偏差(実測値/設計値) |
備考 |
| 451[Hz] |
416[Hz] |
−7.8[%] |
|
測定結果・考察
- 波形観測
Tr1とTr2が交互にON/OFFを繰返しながら
発振していることを確認しました。
デューティーもほぼ50%でした。
波形の立上がりが遅いことも理論通りでした。
- 発振周波数
設計値に対して、実測値はマイナス7.8[%]の偏差がありました。
周波数の計算式は近似が入っているので、10[%]程度の誤差は覚悟する
必要があると思います。
- 余談
CR移相発振回路
と比較して全然簡単に発振しました。(^^v
調整も不要です。
今後の課題
- 非安定マルチバイブレータの応用検討
将来的に、トランジスタを使用したパルス発生器の製作を計画しています。
参考文献
- パルス回路の設計(昭和56年(1981) 第20版(改訂10版))
P-86〜91 非安定マルチバイブレータ、猪飼國夫著、CQ出版社
関連項目
- トランジスタ・パルス回路の解析−
非安定マルチバイブレータの解析
- トランジスタ・パルス回路の実験−
トランジスタ・スイッチとLEDの点灯/消灯制御実験
- 自作電子ブロック
- 簡易安定化電源
JH8CHUのホームページ>
トランジスタ・パルス回路の実験>
非安定マルチバイブレータの実験
Copyright (C)2026 Masahiro.Matsuda(JH8CHU), all rights reserved.