JH8CHUのホームページ>
トランジスタ・パルス回路の実験
>双安定マルチバイブレータの実験
双安定マルチバイブレータの実験
本ページ作成。(2026/01/14)
実験の目的
双安定マルチバイブレータを設計し、回路を組み立てて動作を確認します。
まず、RSフリップ・フロップを使い、直流安定点がふたつあることを確認します。
そしてset端子とreset端子に印加したトリガ・パルスによりふたつの安定点間を
遷移させることが出来ることも確認します。
次に、T-フリップ・フロップにて、1/2分周動作の波形を観測します。
実験課題
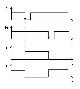
- 直流安定点の確認(RSフリップ・フロップ)
ふたつのトランジスタ(Tr1、Tr2)において
Tr1がON、Tr2がOFFの状態、または
Tr1がOFF、Tr2がONの状態で
回路が安定することを確認します。
また、リセット端子(Rn)から負のトリガ・パルスを入力するとTr1がONし、
セット端子(Sn)から負のトリガ・パルスを入力するとTr1がOFFして
状態を変えることを確認します。
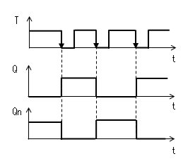
- T-フリップ・フロップの動作波形確認
トリガ(T)端子から連続した矩形波を入力し、トリガ・パルスが入る度に
マルチバイブレータの状態が反転することを波形により確認します。
実験回路
- 直流安定点の確認(RSフリップ・フロップ)
- T-フリップ・フロップの動作波形確認
回路の機能と動作
ふたつのトランジスタ・スイッチ回路
の入力と出力をそれぞれ接続しループを作ると
全体として直流の正帰還がかかります。このような回路構成にすると、必ず一方の
トランジスタがON、他方のトランジスタがOFFの状態で安定します。
この安定状態はふたつあるので、1-bitの記憶回路として使えます。
安定状態間の遷移は外部からトリガ・パルスを加えることにより実行します。
トリガ・パルスの加え方により双安定マルチバイブレータにはいくつか
動作のバリエーションがあります。今回実験するのは下記の2種類です。
- RS-フリップ・フロップ
セット端子(Sn)とリセット端子(Rn)によりふたつの状態間を遷移させるタイプの
双安定マルチバイブレータです。


- T-フリップ・フロップの動作
トリガ端子(T)から入力されるパルスが1回入る毎に、ふたつの状態が反転する
タイプの双安定マルチバイブレータです。
数を数えたり、入力パルスの回数を半分にする(分周)ために使われます。

双安定マルチバイブレータの動作の詳細については、トランジスタ・パルス回路の
解析に記載した
双安定マルチバイブレータの項を参照してください。
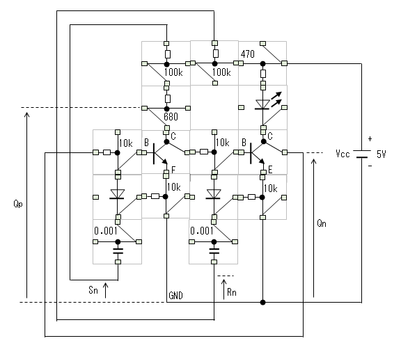
実験回路の設計
- 設計条件
(1)電源電圧:およそ5[V]とします。
(2)使用するトランジスタ:定番の2SC1815-Y
(3)トリガ入力電圧:
T-フリップ・フロップの実験の際のトリガ入力電圧波形です。
周期1ms、デューティー約50%、振幅は下図のように直流の下駄を履いています。
(4)トリガの信号源
シュミット・トリガの実験で使用した回路を流用し、
低周波発振器の出力である正弦波から矩形波を生成して使用します。
出力インピーダンスは1.5[kΩ]です。
シュミット・トリガの閾値が0[V]に対して対称性が多少悪いため
矩形波のデューティーは50[%]から少しずれます。
(5)出力の負荷
双安定マルチバイブレータの出力端子(Qp、Qn)には何も接続しません。
波形観測のためのオシロスコープを接続しますが、オシロの入力インピーダンスは
[MΩ]のレベルなので無視出来る値です。
(6)トランジスタの片方でLEDを点灯
安定点の確認では、安定点の遷移を手動で操作するので、確認しやすいよう
LEDを点灯させることとします。
- RC2の選定
セット・パルスを入力したときLEDが点灯するよう、Tr2側のコレクタに
LEDを接続しました。このようにすると、Sn端子からセット・パルスを
入力するとTr2がONとなるため、Qn端子がほぼ0[V]となりLEDが点灯します。
また、Rn端子からのリセット・パルスによりTr2がOFFとなるため、
Qn端子の電圧が上昇しLEDが消灯します。
LED点灯時はLED両端の電圧は約2[V]なので、RC2両端の電圧(VRC2)は
約3[V]となります。LEDの電流(IC2)を5〜10[mA]に設定するためには
RC2 = VRC2 / IC2 ≒ 300〜600[Ω]
となることから、E6系列より選定し
RC2 = 470[Ω]としました。このときのIC2は
IC2 = VRC2 / RC2 = 3 / 470 ≒ 6.4[mA]
となります。
- RC1の選定
トランジスタがONしたときのコレクタ電流をバランスをとるためTr2と
ほぼ同じ値である6.4[mA]になるようRC1を決めます。そうすると
RC1 = Vcc / IC1 = 5[V] / 6.4[mA] ≒ 781[Ω]
となるので、E6系列より選定し
RC1 = 680[Ω]としました。このときのIC1は
IC1 = Vcc / RC2 = 5 / 680 ≒ 7.4[mA]
となり、ややバランスが悪いのですがこのままとしました。(^^ゞ
- RB1、RB2の選定
トランジスタの直流電流増幅率(hFE)はデータシートより120(min)なので
トランジスタのベース電流は
IB = Ic / hFE(min) = 6.4[mA] / 120 ≒ 53.3[μA]
トランジスタがONしたとき確実に飽和するよう、通常この値の2〜10倍くらいの
ベース電流が流れるようRB1、RB2を決めますが、
まずは3倍で計算しました。
RB = (Vcc - VBE) / IB ≒ (5 - 0.7) / (53.3[μA] * 3)
≒ 26.9[kΩ]
E6系列より選定すると
22[kΩ]あたりが適当ですが
実験に使う電子ブロックの製作の都合上、やや小さめの
RB1 = RB1 = 10[kΩ]としました。
このときのベース電流は
IB = (Vcc - VBE) / RB ≒ (5 - 0.7) / 10[kΩ]
≒ 430[μA]
となり、トランジスタを確実に飽和させるために必要なベース電流(53.3[μA])の
約8倍となります。
- D1、D2の選定
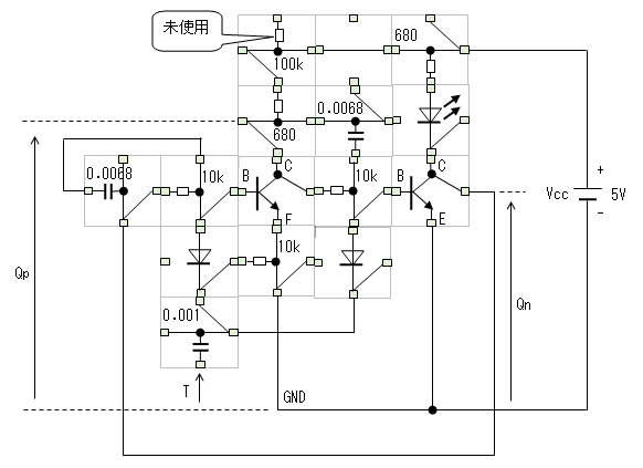
- RT1、RT2、RTの選定
目安としてはRB1、RB2と同等な値とするようなので
あまり深く考えずRT1 = RT1 = RT = 10[kΩ]
としました。
- CT1、CT2、CTの選定
RT1、RT2と共にトリガ・パルスの幅を決めるので重要です。
そして、RT1、RT2は先に10[kΩ]と決めてしまいました。
後は、時定数をいくらにするかですが、T-フリップ・フロップの場合、入力する
矩形波の周波数は1[kHz]ですので、パルス幅は周期の半分の約500[μs]です。
この1/10の時間よりやや短い時定数(τ)を目安に設定しました。
τ = C * R
より、
C = τ / RT = 50[μs] / 10[kΩ] = 0.005[μF]
となりますが、この値の1/1〜1/5くらいを目安にすれば良いと考え
E6系列より選定し
CT1 = CT2 = CT = 0.001[μF]としました。
(実際の時定数の決定には、RTのみではなく、RB1やRB2が
影響するはずですが、とりあえず無視しました。) (-_-;
- RU1、RU2の選定
トリガ・パルスの入力端子をVccにプルアップ(pull up)するための抵抗です。
プルアップしておくと、入力端子をグランドに接続するだけで負のパルスを
発生させることが出来ます。ただし、今回の回路ではチャタリグが発生します。
(チャタリングとはスイッチなどの接点が開閉する際、端子の金属のバウンズなどにより
回路のON/OFFが複数回短時間に発生する現象を言います。)
今回は実験に影響しないためチャタリングの防止回路は手抜きで付けていません。(^^;
この抵抗は特に小さくする必要もないので作製済みの電子ブロックがある100[kΩ]と
しました。
- CB1、CB2の選定
双安定マルチバイブレータの解析の
今後の課題に記載したように
いまひとつ定数の決定方法に不安が残るコンデンサーですが、
とりあえずCB > CTとなるように決定することとし、
E6系列より選定して
CB1 = CB2 = 0.0068[μF]としました。
- シュミット・トリガ回路
矩形波を生成するために
シュミット・トリガ回路の実験で使用した電子ブロックを
そのまま流用します。シュミット・トリガの入力は発振周波数を1kHzに設定した
低周波発振器の正弦波です。
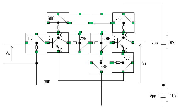
- 直流動作点の確認(RSフリップ・フロップ)
- 電子ブロックの配置

- 実験手順

(1)電源を入れます。
(2)LEDが消灯ならば(3)に進みます。
LED点灯ならクリップでGNDとRn端子間を短絡し、LEDが消灯することを確認します。
(3)LEDが消灯していることを確認し、GNDとSn端子間を短絡し、
LEDが点灯することを確認します。
(4)LEDが点灯していることを確認し、GNDとSn端子間を何度か短絡し、
LEDが点灯したままであることを確認します。
(5)LEDが点灯していることを確認し、GNDとRn端子間を短絡し、
LEDが消灯することを確認します。
(6)LEDが消灯していることを確認し、GNDとRn端子間を何度か短絡し、
LEDが消灯したままであることを確認します。
(7)LEDが消灯/点灯したそれぞれの状態で、ふたつのトランジスタの
コレクタとベースの電圧をディジタル・テスターで測定します。
- T-フリップ・フロップの動作波形確認
- 電子ブロックの配置(T-フリップ・フロップ)

- 電子ブロックの配置(シュミット・トリガ)
T-フリップ・フロップの入力波形である矩形波は
低周波発振器の出力を
シュミット・トリガーにに入力し矩形波を生成します。
シュミット・トリガー回路は
シュミット・トリガー回路の実験で使用した
電子ブロックを流用します。(回路図は
シュミット・トリガ回路の実験を参照)

1枚のベース・ボードで、シュミット・トリガーとT-フリップ・フロップを
同時には搭載出来ないので、それぞれ別なベース・ボードを使用しました。
- 実験手順
(1)シュミット・トリガーとT-フリップ・フロップ、および電源を下図のように
接続します。シュミット・トリガーのGNDが簡易安定化電源の10V端子に接続して
いますが誤りではありません。シュミット・トリガーはプラス・マイナスの
電源が必要なことと、T-フリップ・フロップは電源を5Vで設計したことから
電源の配線が変則で複雑になってしまったのですが、特に注意して配線します。
(あまり好ましくはないのですが、とりあえず動作しました。) (^^;

(2)よく配線をチェックしてから電源を投入します。
(3)低周波発振器の発振周波数ルは1kHzに設定します。
発振器の出力レベルは2[Vp-p]に調整します。
Viの値の設定には
テスターアダプタ+
アナログ直流電圧計
を使用し、テスターアダプタはpeak to peakモードにしました。
(厳密に設定する必要はないので、オシロスコープでだいたいの
レベルに設定しても良いと思います。)
(4)オシロスコープでViとQpの波形を観測します。
オシロスコープのGND端子は配線図の通り、簡易安定化電源のGNDとし、
ViはAC入力で測定しました。)
実験機材
- 電子ブロック
使用したブロックは、実験方法の
電子ブロックの配置を参照。
- 簡易安定化電源 (5[V]、10[V]端子)
- 乾電池:1.5[V]×4
- 低周波発振器
- テスターアダプタ
- アナログ直流電圧計
- オシロスコープ
実験結果
- RSフリップ・フロップの動作(直流安定点の確認)
(1)LEDの動作
・Rn端子をグランド(GND)に接触するとLEDは消灯しました。
この後、何度Rn端子をグランド(GND)に接触してもLEDは消灯したままでした。
・Sn端子をグランド(GND)に接触するとLEDは点灯しました。
この後、何度Sn端子をグランド(GND)に接触してもLEDは点灯したままでした。
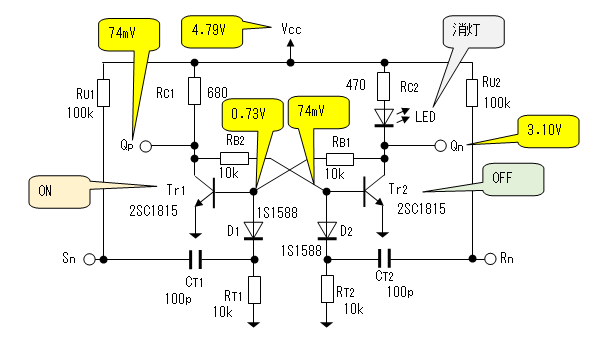
(2)LED消灯時(Tr1: ON、Tr2: OFF)の各部の電圧

(3)LED点灯時(Tr1: OFF、Tr2: ON)の各部の電圧

- T-フリップ・フロップの動作

上:T、 2V/div、0.5ms/div
下:Qp、2V/div、0.5ms/div
測定結果・考察
- RSフリップ・フロップの動作(直流安定点の確認)
RSフリップ・フロップはふたつの安定点があることを確認しました。
安定点間の遷移にはRn端子からの負パルスでQpがLowレベル、QnがHighレベルに、
Sn端子からの負パルスでQpがHighレベル、QnがLowレベルになるとを確認出来ました。
- T-フリップ・フロップの動作
T端子に入力した矩形波の立ち下がり毎に出力が反転することを
確認しました。
今後の課題
- コンデンサー(CB1、CB2)の容量の決定方法
CB1とCB2の容量の決定方法については理論的なつめが
まだ甘いと感じています。本実験において多少値を
変えてみましたが、概ねCTと同等以上の容量であれば動作するようです。
ただし、あまり大きくすると波形の立上がりが遅くなります。
下記の写真はCB1 = CB2 = 0.068[μF]としたときの波形です。

上:T、 2V/div、0.5ms/div
下:Qp、2V/div、0.5ms/div
- T-フリップ・フロップの応用の検討
RSフリップ・フロップは使いづらいのですが、T-フリップ・フロップは
トランジスタによるディジタル波形の測定ツールに使用を検討予定です。
参考文献
- パルス回路の設計(昭和56年(1981) 第20版(改訂10版))
P-95〜102 双安定マルチバイブレータ、猪飼國夫著、CQ出版社
関連項目
- トランジスタ・パルス回路の解析−
双安定マルチバイブレータの解析
- トランジスタ・パルス回路の解析−
CR微分回路・RC積分回路
- トランジスタ・パルス回路の実験−
CR微分回路・RC積分回路の実験
- トランジスタ・パルス回路の実験−
シュミット・トリガの実験
- 自作電子ブロック
- 低周波発振器
- 簡易安定化電源
- テスターアダプタ
- アナログ直流電圧計
JH8CHUのホームページ>
トランジスタ・パルス回路の実験>
双安定マルチバイブレータの実験
Copyright (C)2026 Masahiro.Matsuda(JH8CHU), all rights reserved.