JH8CHUのホームページ>
トランジスタ・パルス回路の実験
>スピードアップ・コンデンサーの実験
スピードアップ・コンデンサーの実験
本ページ作成。(2026/02/06)
実験の目的
トランジスタ・スイッチの回路にスピードアップ・コンデンサーを追加し、
その効果を確認します。
実験課題
- スピードアップ・コンデンサーの効果を波形で確認
コンデンサーの容量を変えながら出力波形の遅延時間を測定し、
適切と思われる容量の値を検討します。
実験回路
回路の機能と動作
トランジスタ・スイッチをベース電圧でON/OFFさせる際、ベースが持つ容量と
ベース抵抗(RB)により積分回路が形成されるため、スイッチング速度が
遅くなります。

トランジスタ・スイッチがONからOFFになる際のもうひとつの遅延理由は、
ベース内の蓄積電荷です。ベース電流が0になっても蓄積電荷によりコレクタ電流が
すぐには0になりません。

RBと並列にスピードアップ・コンデンサー(CS)を接続すると、
ベースが持つ容量が早く充放電されるため、スイッチング速度が改善されます。
また蓄積電荷も早く排出されます。

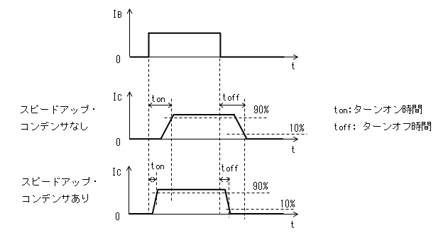
動作波形

スピードアップ・コンデンサーの機能の詳細については、トランジスタ・パルス回路の
解析に記載した
スピードアップ・コンデンサーの機能を参照してください。
実験回路の設計
- 設計条件
(1)電源電圧:およそ5[V]とします。
(2)使用するトランジスタ:定番の2SC1815-Y
(3)コレクタ電流(ON状態):5[mA]
(4)入力信号
非安定マルチバイブレータの実験
で使用した実験回路を流用します。
ただし、コンデンサーの容量は変更し発振周期は変えます。
・波形:矩形波
・周波数:約25[kHz]
・デューティー:約50[%]
・振幅:0-5[V]
(5)出力の負荷
トランジスタのコレクタには何も接続しません。
波形観測のためのオシロスコープを接続しますが、オシロの入力インピーダンスは
[MΩ]のレベルなので無視出来る値です。
- RCの選定
Vcc=5[V]、コレクタ電流(IC(ON))が5[mA]なので
RC = Vcc / IC(ON) = 5[V] / 5[mA] = 1[kΩ]
- RBの選定
トランジスタの直流電流増幅率(hFE)はデータシートより120(min)なので
トランジスタのベース電流は
IB = Ic / hFE(min) = 5[mA] / 120 ≒ 41.6[μA]
トランジスタがONしたとき確実に飽和するよう、通常この値の2〜10倍くらいの
ベース電流が流れるようRBを決めますが、まずは3倍で計算しました。
RB = (Vcc - VBE) / IB = (5 - 0.7) / (41.6[μA] * 3)
≒ 34.5[kΩ]
E6系列より選定して
RB = 33[kΩ]としました。
- CSの選定
解析的に決めるのは難しく10〜100[pF]の範囲で調整します。
今回は手持ちのコンデンサーにあった、10、30、47、100[pF]を選定して
波形の変化を観測しました。
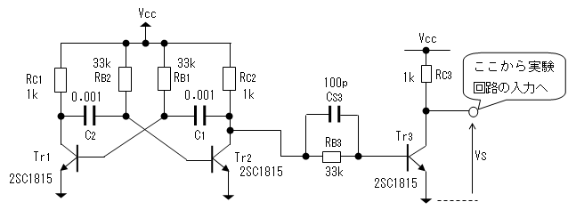
- 信号源
非安定マルチバイブレータの
実験に使用した電子ブロックを流用しました。
ただし、発振周期とデューティを変更するために、CB1 = 0.001[μF]、
CB2 = 0.001[μF]
に変更してます。この場合の発振周期は約40[μs]、デューティーは約50[%]です。
ところで、非安定マルチバイブレータの出力を直接使うと立上がりの時間が遅く
実験回路の応答特性が正確に判りません。本来は、非安定マルチバイブレータの出力を
一度、シュミット・トリガ回路を通すと良いのですが、回路設計の負担が増えると
同時に、部品も増えてしまいます。
そこで、非安定マルチバイブレータの出力にスピードアップ・コンデンサーを
追加したトランジスタ・スイッチを経由して実験回路に供給します。
今回実験する回路を信号源に使ってしまっては、ちぐはぐな実験になってしまうのですが
妥協して諦めることにしました。(T_T;
下記が信号源全体の回路図です。

- 電子ブロックの配置
電子ブロックで実験回路を下図のように組み立てます。
電源は簡易安定化電源の5[V]端子を使用しました。

- 全体の接続図

- 波形の観測
スピードアップ・コンデンサーの値を変えながらViとVoの波形を
オシロスコープで観測し、下図に示す
td、ts、tr、tfを読み取ります。

実験機材
- 電子ブロック
使用したブロックは、実験方法の
電子ブロックの配置を参照。
- 簡易安定化電源 (5[V]端子)
- オシロスコープ
実験結果
- 信号源の波形
上が非安定マルチバイブレータの波形、下は100[pF]のスピードアップ・コンデンサーを
を付加したトランジスタ・スイッチの波形(Vs)。
Vsのtrは100[ns]、tfは80[ns]くらいでしたが、多少、
次段に接続される実験回路のCSの影響を受けるようです。

2V/div、5μs/div
- 波形観測(遅延時間測定)
td、ts、tr、tfの読み取り結果を下記に
示します。
波形の写真は面倒なので省略しました。
(似たような波形ばかりで楽しくないので。笑)
CSの容量 [pF] |
td[ns] |
ts[ns] |
tr[ns] |
tf[ns] |
備考 |
| 0 |
1800 |
200 |
700 |
160 |
スピードアップ・ コンデンサー(CS)なし |
| 10 |
1500 |
40 |
600 |
80 |
|
| 30 |
500 |
≒0 |
600 |
20 |
|
| 47 |
40 |
≒0 |
80 |
≒0 |
|
| 100 |
≒0 |
≒0 |
80 |
≒0 |
|
(注)「≒0」は、私の壊れかかったオシロでは差がほとんど0で測定出来ない、の意味です。(^^;
読み取った結果をグラフにしたものが下記です。
(1)td

(2)ts

(3)tr
このグラフだけなぜか歪んでしましいました。比較的ラフに値を読み取ったことと
オシロスコープのレンジの切替わりだったせいかもしれません。(-_-?

(4)tf

測定結果・考察
- 遅延時間の改善
想像していたよりも絶大な(?)効果があることが判りました。(・o・;;
とくにスピードアップ・コンデンサーがない場合、tdとts
の差が大きく、
高速なパルスを入力した場合、出力のデューティーが大きく変化して
しまうことが判りました。(追加実験の項、参照)
- スピードアップ・コンデンサーの値
td、ts、tr、tfのいずれにおいても
47[pF]以上あれば十分な改善が期待できることが判りました。
ただしこの値は条件(トランジスタの型式や電源電圧、ON時の入力電流など)
によって変わる可能性があり、今回の実験だけでは一般論とは言えないです。
- 追加実験
信号源である非安定マルチバイブレータのコンデンサー(CB1、CB2)の
片方を100[pF]とし、非対称な矩形波をViとして入力した場合のVoの波形を
観測しました。
| デューティー |
スピードアップ・ コンデンサー:47[pF] |
スピードアップ・ コンデンサー:なし |
備考 |
| 10% |

ほぼVoはViを反転した波形。 |

パルス幅が約2倍に広がった。 |
|
| 90% |

ほぼVoはViを反転した波形。 |

パルスが消えてしまった。 |
|
上:Vi、2V/div、5μs/div
下:Vo、2V/div、5μs/div
今後の課題
- スピードアップ・コンデンサーの応用検討
将来的に、トランジスタを使用したパルス発生器の製作に応用予定です。
参考文献
- パルス回路の設計(昭和56年(1981) 第20版(改訂10版))
P-34〜37 トランジスタのスイッチ動作、猪飼國夫著、CQ出版社
関連項目
- トランジスタ・パルス回路の解析−
スピードアップ・コンデンサーの機能
- トランジスタ・パルス回路の実験−
非安定マルチバイブレータの実験
- 自作電子ブロック
- 簡易安定化電源
JH8CHUのホームページ>
トランジスタ・パルス回路の実験>
スピードアップ・コンデンサーの実験
Copyright (C)2026 Masahiro.Matsuda(JH8CHU), all rights reserved.